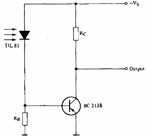
El circuito presentado utiliza un transistor PNP, que puede ser el BC558. Observe la polaridad del suministro. El circuito es sugerido por una documentación optoelectrónica de Texas Instruments.

Control de corriente para fotodiodo 2
El circuito presentado utiliza un transistor PNP, que puede ser el BC558. Observe la polaridad del suministro. El circuito es sugerido por una documentación optoelectrónica de Texas Instruments.
