El circuito presentado fue sugerido por Texas Instruments en un manual de optoelectrónica. El transistor puede ser el BC548 y la tensión de alimentación depende de la aplicación.

Control de corriente para fotodiodos
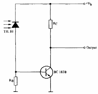
El circuito presentado fue sugerido por Texas Instruments en un manual de optoelectrónica. El transistor puede ser el BC548 y la tensión de alimentación depende de la aplicación.
