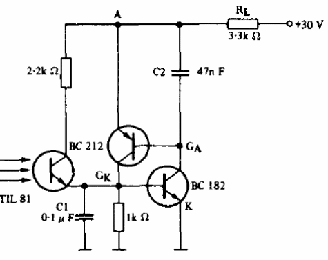
Este circuito usa dos transistores para simular la acción de un SCR en un interruptor regenerativo. Se pueden usar transistores equivalentes como BC558 y BC548 y el fototransistor puede ser de cualquier tipo. El circuito es de una documentación de Texas Instruments.

Foto Relé simulación de SCR



