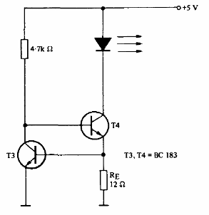
En este circuito la regulación se realiza a partir de un circuito en el cátodo LED. La configuración es de un manual de optoelectrónica de Texas Instruments de 1978, que puede usar transistores equivalentes más modernos. La corriente está determinada por RE y es de alrededor de 20 mA.

Fuente de corriente constante para LED con dos transistores 2



