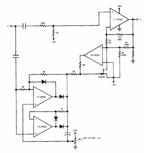
El circuito que se muestra es delFET Handbook de National Semiconductor. Tanto los operacionales como los FET admiten equivalentes.

Expansor de volumen C
El circuito que se muestra es delFET Handbook de National Semiconductor. Tanto los operacionales como los FET admiten equivalentes.
