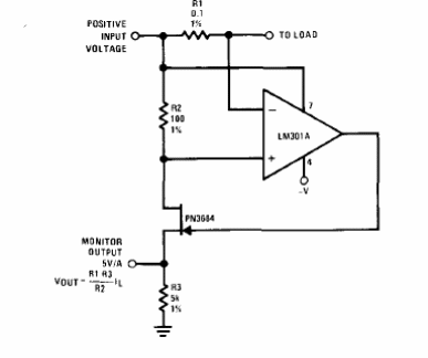
Encontramos este circuito en el FET Handbook de National Semiconductor. Los componentes se calculan de acuerdo con la fórmula al lado del diagrama y se pueden usar FET equivalentes.

Monitor de corriente
Encontramos este circuito en el FET Handbook de National Semiconductor. Los componentes se calculan de acuerdo con la fórmula al lado del diagrama y se pueden usar FET equivalentes.
