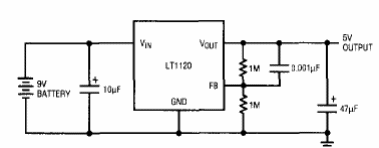
Este regulador es equivalente a 2 pilas AA que proporcionan una tensión de salida de 5 V. El circuito es de 1997 Linear Technology Applications y utiliza componentes de esa época.

Regulador lineal de 5 V
Este regulador es equivalente a 2 pilas AA que proporcionan una tensión de salida de 5 V. El circuito es de 1997 Linear Technology Applications y utiliza componentes de esa época.
