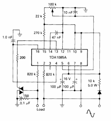
Este circuito es del libro Linear Databook de Motorola de 1990. El circuito controla un Triac desde un circuito integrado dedicado. El componente no es muy común en la actualidad.

Control de potencia TDA0185
Este circuito es del libro Linear Databook de Motorola de 1990. El circuito controla un Triac desde un circuito integrado dedicado. El componente no es muy común en la actualidad.
