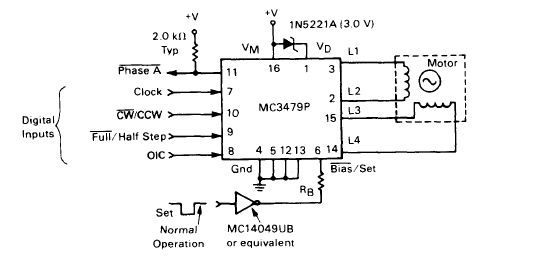
Este circuito de motor paso a paso se encontró en el Linear Databook de Motorola de 1990. El circuito es de baja potencia y se debe consultar la hoja de datos del componente para obtener más información. Las entradas digitales deben tener tensiones acordes al utilizado en la alimentación.

Control de motor MC3479P



