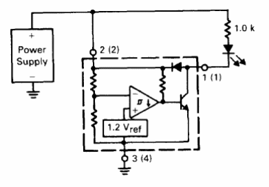
El componente utilizado en este circuito es poco común en la actualidad. El circuito es del Linear Databook de 1990 de Motorola.

Monitor de tensión MC34064 C
El componente utilizado en este circuito es poco común en la actualidad. El circuito es del Linear Databook de 1990 de Motorola.
