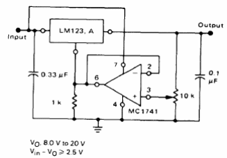
La serie LM123 (223 y 333) es fabricada por varias empresas de semiconductores. El siguiente circuito usa el 741 y proporciona hasta 3 A de salida. El circuito es del Linear Databook de 1990 de Motorola.

Regulador Regulable LM123 de 3 A
La serie LM123 (223 y 333) es fabricada por varias empresas de semiconductores. El siguiente circuito usa el 741 y proporciona hasta 3 A de salida. El circuito es del Linear Databook de 1990 de Motorola.
