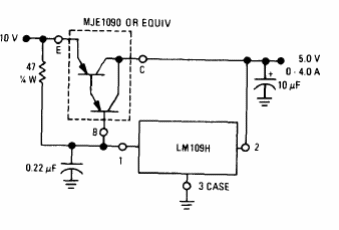
El LM109 fue fabricado por muchas empresas de semiconductores que presentaban diferentes configuraciones en sus manuales. Esto es del libro de datos lineal de Motorola de 1990. El transistor admite equivalentes como los de la serie TIP que son actuales.

5V x 4o regulador con LM109



