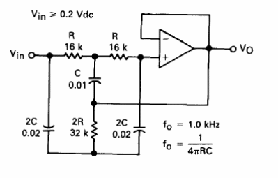
Este filtro de rechazo de 1 kHz se puede modificar para que funcione en otras frecuencias. Operativo puede ser para cualquiera. El circuito es del Linear Databook de 1990 de Motorola.

Filtro de rechazo de 1 kHz
Este filtro de rechazo de 1 kHz se puede modificar para que funcione en otras frecuencias. Operativo puede ser para cualquiera. El circuito es del Linear Databook de 1990 de Motorola.
