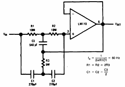
El filtro presentado es de 1994, pero se puede implementar con un equivalente más moderno. Encontramos esta configuración en el Manual de Aplicaciones Lineales de National Semiconductor.

Filtro de rechazo de alto Q
El filtro presentado es de 1994, pero se puede implementar con un equivalente más moderno. Encontramos esta configuración en el Manual de Aplicaciones Lineales de National Semiconductor.
