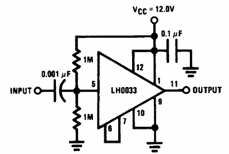
La configuración es del manual de aplicaciones lineales de National Semiconductor de 1994. El circuito es válido para el LH0033 y otros de la misma familia.

Búfer de alta velocidad con fuente única
La configuración es del manual de aplicaciones lineales de National Semiconductor de 1994. El circuito es válido para el LH0033 y otros de la misma familia.
