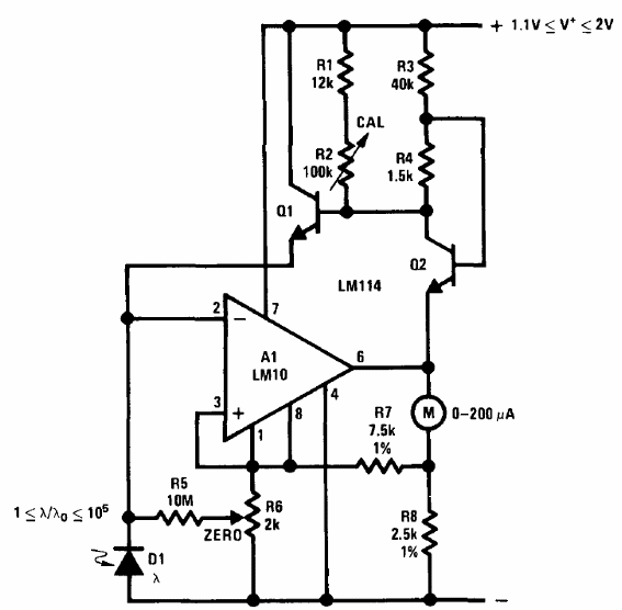
Encontramos este circuito en el Manual de Aplicaciones Lineales de National Semiconductor de 1994. El amplificador operacional no es muy común y los transistores son parte de una matriz nacional. Se pueden utilizar transistores combinados comunes.

Fotómetro logarítmico LM10



