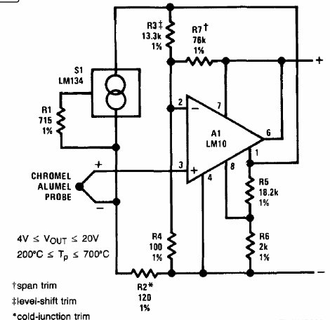
Los componentes usados en este circuito de National Semiconductor no son comunes hoy en día, pero la configuración se puede adaptar para usar componentes más modernos.

Transmisor LM10 Para Termopar
Los componentes usados en este circuito de National Semiconductor no son comunes hoy en día, pero la configuración se puede adaptar para usar componentes más modernos.
