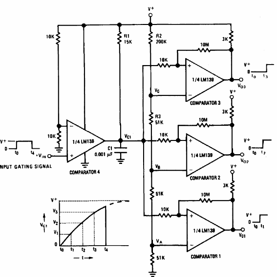
El circuito que se muestra en la figura se basa en los cuatro comparadores del LM139 o equivalente en serie. Los tiempos de retardo los dan los comparadores y el capacitor C1 secuencialmente. No es necesario que la alimentación sea simétrica. El circuito es del Linear Applications Handbook de 1994 de National Semiconductor.

Generador de retardo de tiempo con el LM139



