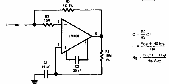
El circuito presentado fue obtenido en el Linear Applications Handbook de National Semiconductor de 1994. Podemos implementar el circuito con operacionales equivalentes más modernos. En el diagrama tenemos las fórmulas para calcular los componentes. La fuente de alimentación debe ser simétrica.

Multiplicador negativo de capacitancia



