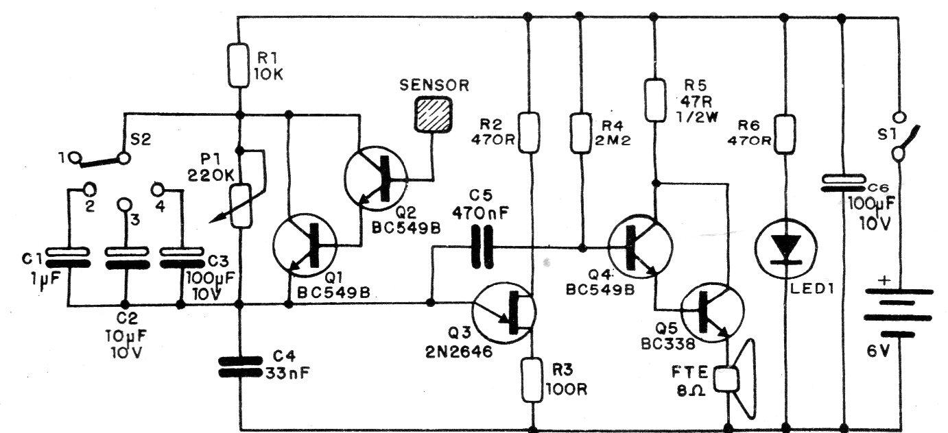
Este es un circuito de efectos de sonido interesante que usa solo componentes discretos. Los componentes son comunes y los efectos se seleccionan mediante una tecla y se obtienen actuando a través de un sensor táctil. El circuito está alimentado por pilas y la presencia del sensor nunca debe ser alimentado por una fuente sin transformador.




