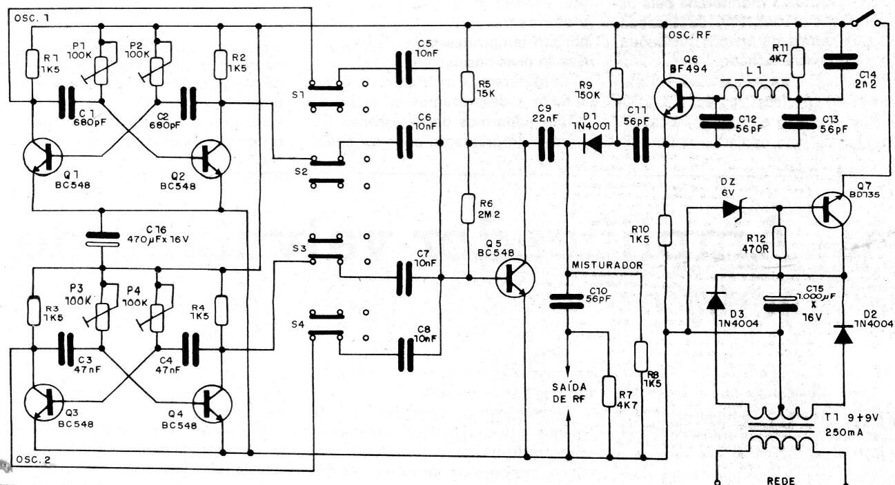
Este circuito, de una antigua publicación de 1988, genera barras en la pantalla de un viejo televisor analógico para la banda VHF. El circuito sirve para ayudar en la calibración de los pasos de video del receptor. Contiene varias teclas y configuraciones que le permiten modificar el patrón de configuración. La alimentación proviene de una fuente integrada en el circuito.




