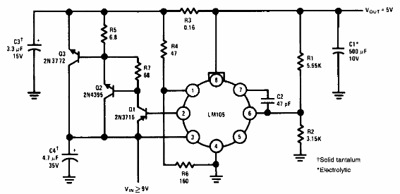
El circuito es del Linear Application Handbook de 1994 de National Semiconductor. Utiliza un antiguo regulador LM105 y transistores que pueden ser reemplazados por equivalentes. R1 y R2 determinan la tensión de salida, que se puede cambiar.

Regulador 5 V x 10 A con LM105



