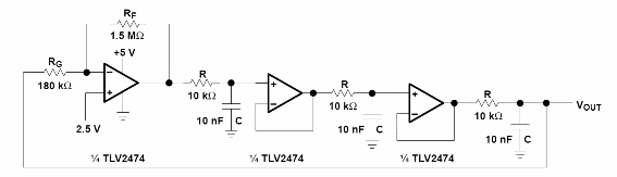
Encontramos este circuito en una documentación técnica de Texas Instruments. La señal generada es de aproximadamente 1,5 kHz dada por R y C en el diagrama. Estos componentes se pueden cambiar a otras frecuencias y la señal generada es sinusoidal.

Oscilador de cambio de fase con búfer



