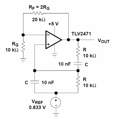
Encontramos este circuito en una documentación técnica de Texas Instruments. La señal es sinusoidal y se pueden generar otras frecuencias cambiando los capacitores. El circuito no requiere alimentación simétrica y se pueden utilizar amplificadores operacionales equivalentes.

Oscilador de puente de Viena de 1,57 kHz



