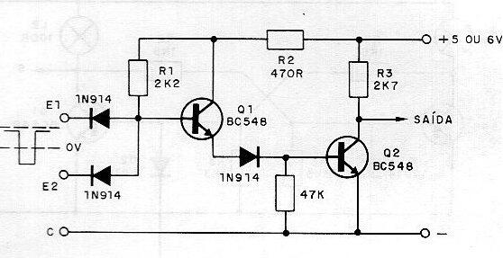
Este circuito funciona como un puerto NAND compatible con la lógica TTL, pero usando solo transistores. Se pueden agregar más entradas simplemente repitiendo 1N914. También se puede utilizar 1N4148 en lugar de estos diodos. El circuito se puede alimentar con tensiones de 5 o 6 V, según la aplicación.

Puerta NAND (no E) transistorizada



