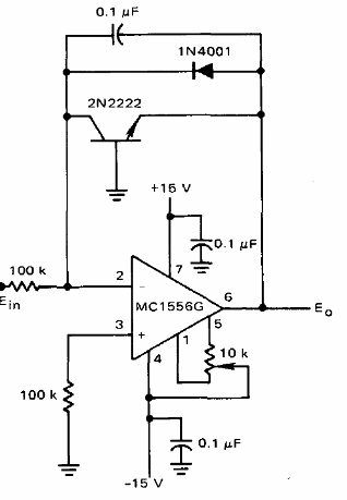
El circuito presentado fue encontrado en una documentación de Motorola de 19761, pero se puede ensamblar con un amplificador operacional más moderno como el 741, que tiene una entrada de compensación para el ajuste. El circuito debe estar alimentado por una fuente simétrica.

Amplificador logarítmico con operacional



