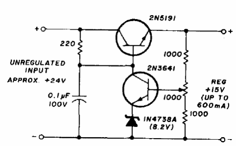
El transistor de potencia puede ser el TIP31 y el driver un BD135 en este regulador obtenido de la documentación para radioaficionados de 1976. El transistor de potencia debe estar equipado con un radiador de calor y la tensión de salida se ajusta en el trimpot.

Regulador de 15 V con 600 mA



