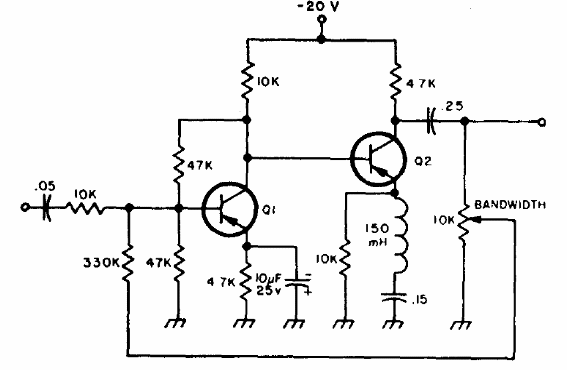
Este filtro de banda estrecha se obtuvo de una documentación de 1974. Podemos montarlo con transistores más modernos como el 2N2222. El ancho de banda es ajustable y los cables de entrada y salida de señal deben estar apantallados.

Filtro de palabras transistorizado



