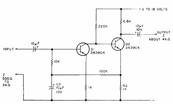
Encontramos esta etapa de amplificador de audio con 500 ohms de impedancia de entrada en una antigua publicación estadounidense. Los transistores pueden ser el BC548 y la energía puede provenir de la batería, porque el consumo es bajo. Los cables de señal deben estar blindados.

Amplificador de audio de 500 ohms



