Este circuito se obtuvo en una publicación de 1978. El suministro puede ser simétrico de otros voltajes. La frecuencia se puede cambiar cambiando los capacitores.

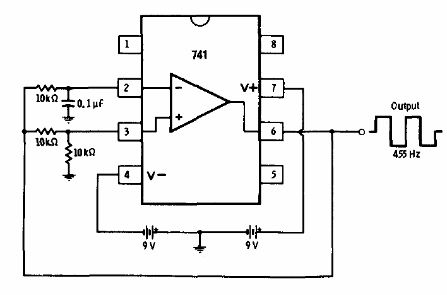
Astable a 455 Hz con el 741
Este circuito se obtuvo en una publicación de 1978. El suministro puede ser simétrico de otros voltajes. La frecuencia se puede cambiar cambiando los capacitores.
