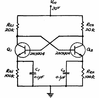
Encontramos este circuito en una documentación IEEE de 1973. Los transistores pueden ser el BC548. La frecuencia viene dada por los capacitores de los emisores.

Astable con acoplamiento directo
Encontramos este circuito en una documentación IEEE de 1973. Los transistores pueden ser el BC548. La frecuencia viene dada por los capacitores de los emisores.
