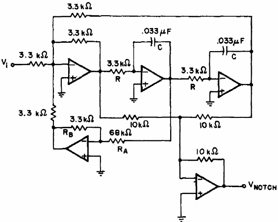
Encontramos este circuito en una documentación de fábrica de 1977. Los amplificadores operacionales pueden ser 741 y la fuente de alimentación simétrica. Los capacitores se pueden cambiar para operar en otras frecuencias.

Filtro de rechazo de 1,5 kHz



