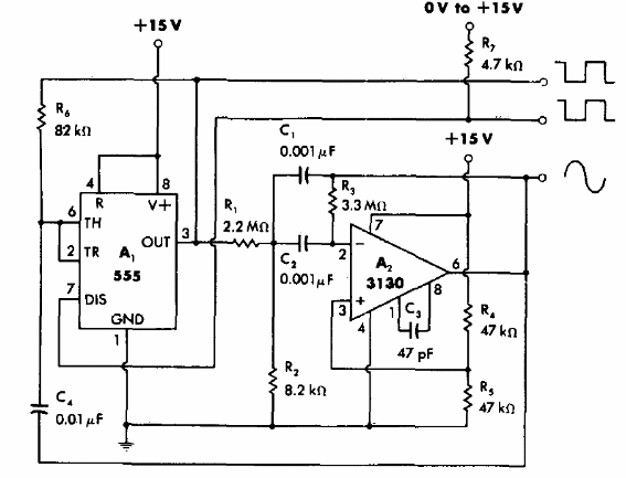
Este circuito es de un Cookbook de temporizadores de 1977, pero aún se puede ensamblar fácilmente con el eventual 3130 por tipos más modernos con JFET. El circuito genera señales sinusoidales y cuadradas de 1 kHz, siendo alimentado por tensiones de 15 V, o incluso otros valores. La distorsión de la señal sinusoidal es inferior al 2% y la salida tiene 9 Vpp.

Oscilador sinusoidal y cuadrado de 1 kHz



