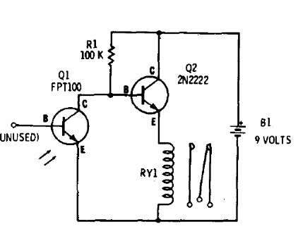
Este circuito es de la documentación de Radio Shack de 1975. Se puede montar con relés de 12 V, cambiando la tensión de alimentación, y como sensor se puede utilizar cualquier fototransistor. El circuito se dispara cuando el sensor deja de recibir luz. La resistencia R1 se puede cambiar para modificar la sensibilidad del circuito.

Relé de fotosensible



