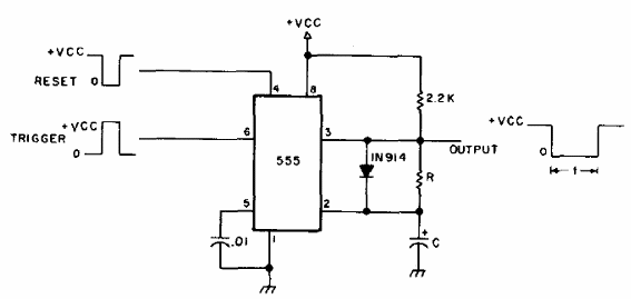
Encontramos esta configuración en una publicación para radioaficionados de 1978. La duración del pulso está dada por C y R de 2k2, aproximadamente por la fórmula T = 1.1 x R x C. El circuito puede ser alimentado por tensiones de 5 a 15 V.

555 monoestable con salida negativa



