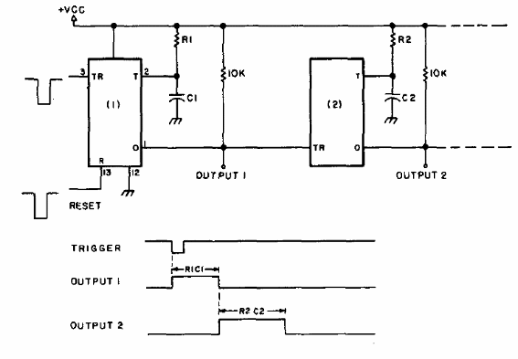
Encontramos este circuito en una publicación de 1978. Los flip-flops son del tipo T y las constantes de tiempo que determinan la duración de los pulsos vienen dadas por las redes R1-C1, R2-C2, etc. La alimentación debe realizarse de acuerdo con los circuitos integrados utilizados.

Generador de pulsos secuencial



