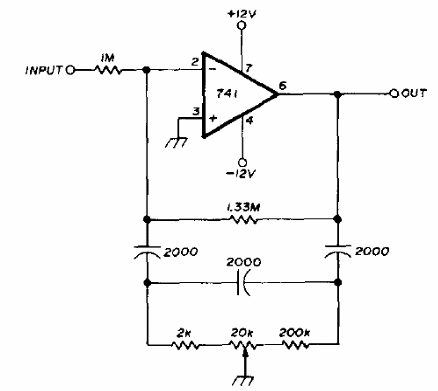
Este circuito es de una publicación estadounidense de 1975 y puede usar otros amplificadores operacionales y otras tensiones de alimentación. La frecuencia central es de 1 kHz con un rango de 3 dB. Los componentes se pueden cambiar a los valores estándar más cercanos.

Filtro sintonizable de 700 a 1 kHz con el 741



