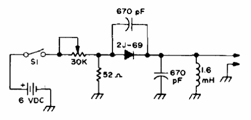
Este circuito es de una publicación americana de 1977. El diodo túnel admite equivalentes y el potenciómetro de ajuste puede ser de cable de 22k o 47k, que son los valores estándar actuales. El circuito se puede modificar para generar otras frecuencias, incluso en el rango de UHF y SHF.

Oscilador de 100 kHz con diodo de túnel



