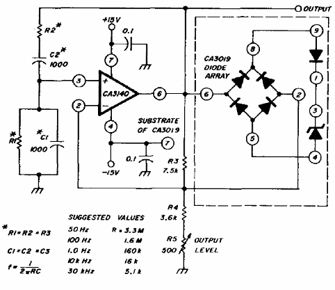
Este circuito es de una publicación de 1978, y el puente de diodos integrado se puede reemplazar por diodos discretos, con menos precisión en la forma de onda. Los componentes de los valores no estándar se pueden intercambiar por los valores comunes actuales y la frecuencia viene dada por los valores sugeridos al lado del diagrama.

Oscilador de puente de Viena CA3140



