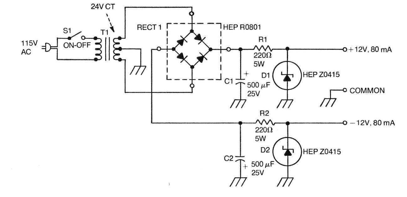
Encontramos este circuito en una documentación técnica de 1976, pero se puede ensamblar con componentes modernos, especialmente el zener que puede ser de cualquier tipo de 12 V x 1 W. De hecho, también podemos usar zeners de 6 o 9 V si queremos cambiar la tensión de salida. Los diodos puente pueden ser 1N4002 y el transformador tiene un secundario de 12 + 12 V con corriente desde 200 mA.




