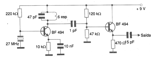
El oscilador que se muestra en la figura puede servir como base para circuitos de transceptores y walk-talkies que operan en el rango de 11 metros (27 MHz). El circuito resonante formado por el capacitor de 47 pF en paralelo con la bobina es importante para obtener la máxima intensidad de señal para la salida. La bobina consta de 6 vueltas de alambre 28 en forma de 0,5 cm. Puede usar una bobina con un núcleo ajustable o reemplazar el capacitor con un recortador que barre el rango de 5 a 50 pF. Los otros capacitores en el circuito deben ser de cerámica y los transistores admiten equivalentes como 2N2222.




