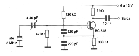
La frecuencia máxima del oscilador que se muestra en la figura es de alrededor de 3 MHz. El trimmer ajusta el mejor punto de oscilación para compensar las capacidades internas del cristal. El circuito debe alimentarse con tensiones de 6 a 12 V y todos los capacitores deben ser cerámicos. Dependiendo de la frecuencia del cristal, los capacitores de 220 pF deben tener su valor cambiado para obtener una mejor retroalimentación. Estos componentes deben tener sus valores incrementados proporcionalmente con frecuencias más bajas.




