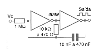
En la figura se muestra una versión simple de VCO CMOS con inversores 4049. Este circuito puede ser alimentado con tensiones entre 3 y 15 V con la frecuencia generada en función del capacitor y el resistor. La tensión de control debe estar entre 0 y la tensión de alimentación. La señal producida es rectangular y en este caso la amplitud de la señal es constante, igual a la tensión de alimentación. Recuerde que este circuito no opera más allá de unos pocos megahertz.




