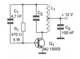
Se usa un solo transistor de alta potencia MJ15003 en el circuito de la figura para generar señales fuertes en el rango de 30 kHz a 1 MHz, dependiendo solo de la bobina L1 y la configuración de CV. El transistor debe montarse en un excelente disipador de calor y la fuente de alimentación debe ser capaz de suministrar una corriente de al menos 3 A. El resistor de polarización, dependiendo de la aplicación, para un mayor rendimiento debe tener su valor probado en el rango de 470 ohmios en 1,5 k ohms típicamente. El capacitor C2 puede ser fijo o variable. Para los diferentes rangos de frecuencia que puede generar el circuito, damos las características de L1 y los valores aproximados de C2 en la siguiente tabla:
Rango de frecuencia/ C2/ L1
50 a 200 kHz 10 nF 30 + 30 vueltas
200 kHz a 500 kHz 2,2 nF 15 + 15 vueltas
500 kHz a 1 MHz 1 nF 10 + 10 vueltas
La bobina se enrolla en una varilla de ferrita de 0,8 a 1 cm de diámetro y de 10 a 15 cm de longitud. Los valores de la tabla no son exactos, ya que, debido a las tolerancias de los componentes y las capacitancias / inductancias parásitas en el conjunto, pueden ser necesarias compensaciones. En este circuito pueden trabajar transistores de menor potencia como BD135 o TIP31, con un aumento del resistor R1, generando señales que llegan a frecuencias más altas, llegando a los 15 o 20 MHz, según corresponda. Para la banda de 500 kHz a 1 MHz, se puede usar un capacitor de radio AM variable para ajustar la frecuencia.




