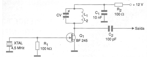
El oscilador de la figura tiene su frecuencia determinada por el cristal. El valor indicado es 4,5 MHz, pero se pueden utilizar cristales en el rango de 100 kHz a 10 MHz. La frecuencia de la señal de salida, que puede ser un armónico de la frecuencia del cristal, se sintonizará en L1 / CV. La bobina L1, enrollada sobre L1 para acoplar la señal, debe calcularse para obtener la impedancia deseada. Se pueden usar transistores equivalentes como MPF102 y el capacitor de 10nF debe ser cerámico. Se pueden realizar cambios en la tensión de alimentación cambiando el valor del resistor de 100 ohms.




