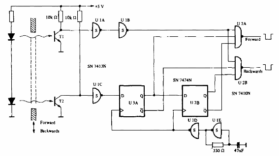
El circuito seleccionado utiliza acopladores ópticos para detectar el paso de objetos en ambas direcciones y generar pulsos para un contador cuya polaridad depende de la dirección del movimiento. El circuito es del manual de optoelectrónica de Texas Instruments.

Contador unidireccional TTL 2



