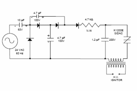
Los SIDAC aún no son componentes comunes en aplicaciones de potencia que involucran disparos de tensión. Sin embargo, pueden reemplazar ventajosamente otros dispositivos de resistencia negativa como los SCR en algunas aplicaciones. El circuito que se muestra en la figura es sugerido por Teccor (www.teccor.com) que tiene en su línea de productos varios SIDAC con diferentes tensiones de disparo, en el rango de 100 a 300 V. El circuito que se muestra no es más que un oscilador de relajación donde un capacitor de 1.2uF se descarga a través del primario de un transformador generando el alto voltaje responsable de la chispa que enciende el gas. En la aplicación indicada, el SIDAC se conecta al circuito de descarga del capacitor y el capacitor junto con un resistor de 4,7 k ohms forma el circuito RC responsable de las oscilaciones. El voltaje que alimenta el circuito proviene del secundario de un transformador de 24 v que pasa por un duplicador de tensión con 4 diodos.




