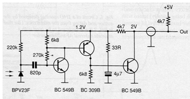
Encontramos este circuito en una documentación de 1994. Se puede implementar con los transistores indicados, posiblemente BC559 en lugar de BC309. El circuito tiene salida TTL y alta ganancia, y puede servir para recibir IR modulado o incluso luz visible. Se pueden utilizar fototransistores equivalentes.

Receptor fotosensible



