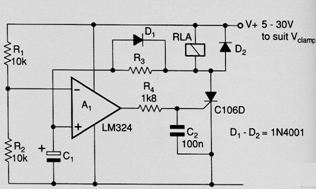
Este simple temporizador es de una publicación de 1998. Se pueden usar otros amplificadores operacionales y el SCR puede ser el TIC106. La tensión de alimentación debe ser acorde al relé utilizado y C1 determina el tiempo y puede tener valores entre 1uF y 1000uF.

Relé de tiempo



