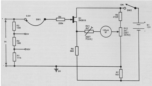
Esta configuración muy común de un voltímetro de alta resistencia de entrada se obtuvo en una documentación de 1993. El FET puede ser el BF245. RV1 ajusta la escala completa y RV2 el punto nulo. El voltímetro tiene tres escalas con una resistencia de entrada de 10 M ohms. El circuito también se puede alimentar con una batería de 9 V.

Voltímetro con FET



